Temperaturanzeige wo am besten den Fühler anbringen

Fragen und Antworten zu unterschiedlichsten Themen der Restaurierung
Antworten
Edelschrottsammler
Beiträge: 312
Registriert: 23. Jul 2025, 16:40
Kontaktdaten:

Temperaturanzeige wo am besten den Fühler anbringen

Beitrag von Edelschrottsammler »

Hallo,

aus dem diesem Beitrag viewtopic.php?t=104 hat sich für mich noch eine weitere Fragestellung ergeben:

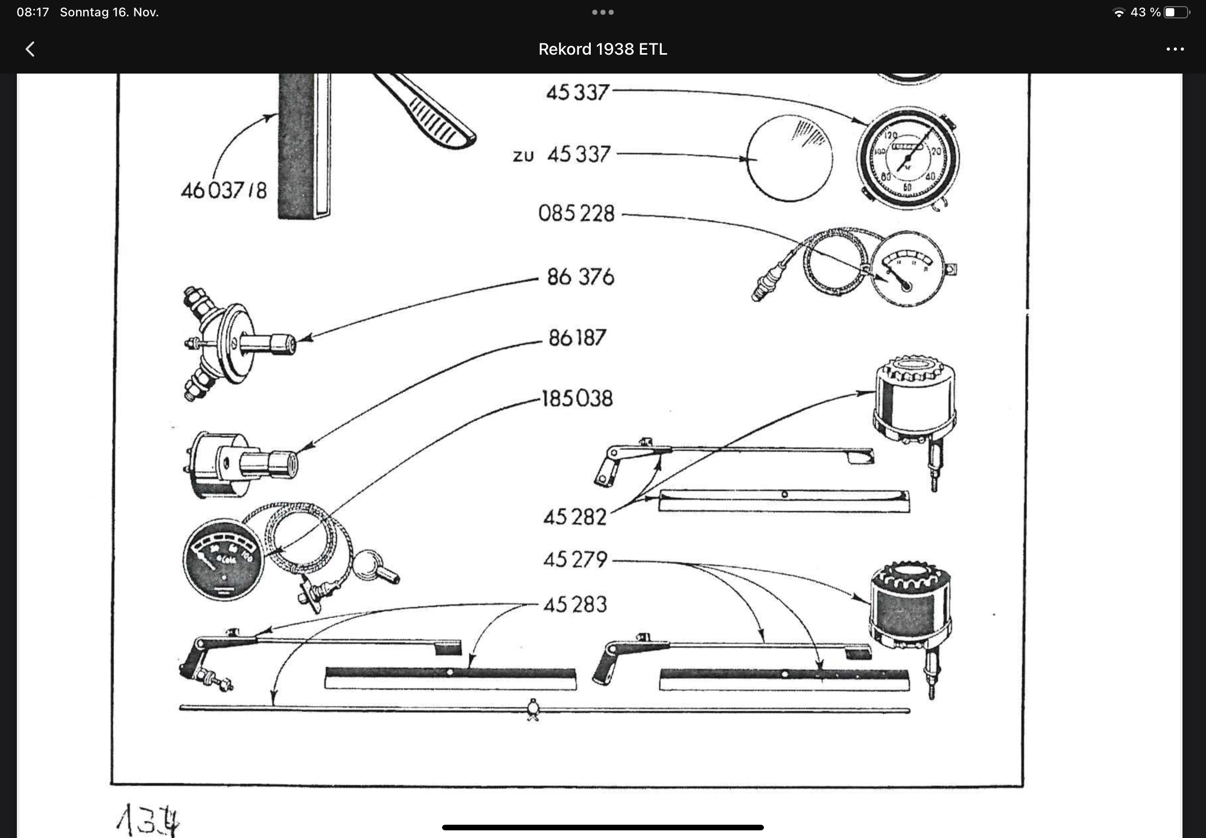
In der Ersatzteilliste zum Rekord ist mir aufgefallen das es wohl auch schon für die früheren Fahrzeuge (noch ohne das Kombiinstrument) Temperaturanzeigen gab. Dem Bild nach wurde die Temperatur am Kühlwasserschlauch zwischen Wapu und Motorblock abgegriffen.
Bei den späteren gab es eine Bohrung oben auf dem Zylinderkopf am 4 Zylinder.
Technisch gesehen macht dies auch am meisten Sinn, diese Stelle ist am weitesten vom Kühler entfernt.
Liege ich damit richtig?

Gruß
Pierre
Dateianhänge
IMG_1203.png
IMG_1203.png (1.58 MiB) 775 mal betrachtet
Hanomag R19 Bj54
Hanomag R22 und R27 Bj55
Hanomag R45 und R28 Bj52
Hanomag Rekord Bj34 und Bj38
Lanz D9506 Bj52
Herford BS Bj59
Antworten

Wer ist online?

Mitglieder in diesem Forum: 0 Mitglieder und 1 Gast